logo

Cáp điều khiển cơ khí màu đỏ có đầu nối dạng càng và dải nhiệt độ từ -40°C đến 80°C, phù hợp cho tải nặng

Cáp điều khiển cơ khí màu đỏ có đầu nối dạng càng và dải nhiệt độ từ -40°C đến 80°C, phù hợp cho tải nặng
Đặc trưng Bộ sưu tập Mô tả sản phẩm Yêu cầu báo giá
Đặc trưng
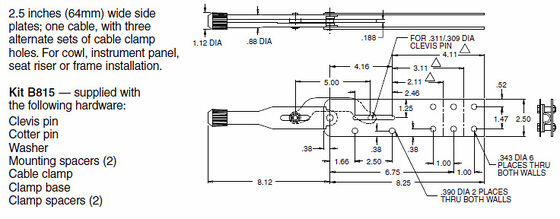
Thông số kỹ thuật
Features: Custom Engineered Assembly
Color: Green,Black,Red
Port: Shanghai
Inner Cable: Multi-strand High-tensile Steel
Package: Wood Case / Carton / Bubble Film
Bus Model: China
Materia: As Per Requirements
Innermember: Nylon-covered Stainless Steel
Làm nổi bật:

Cáp điều khiển cơ khí màu đỏ có đầu nối dạng càng

,

Cáp điều khiển cơ khí tải nặng

,

Cáp điều khiển cơ khí chịu nhiệt

Thông tin cơ bản
Hàng hiệu: PHIDIX
Model Number: Mechanical Control Cable
Thanh toán
Mô tả sản phẩm

Mô tả sản phẩm:

Cáp điều khiển cơ khí là một giải pháp linh hoạt và đáng tin cậy, được thiết kế để đáp ứng nhiều ứng dụng công nghiệp và thương mại. Được chế tạo với độ chính xác và độ bền cao, cáp này mang lại hiệu suất vượt trội ngay cả trong môi trường khắc nghiệt. Với dải nhiệt độ điển hình từ -65°F đến 230°F, nó đảm bảo hoạt động ổn định trong cả điều kiện cực lạnh và nhiệt độ cao, lý tưởng cho việc sử dụng ở nhiều vùng khí hậu và môi trường đòi hỏi khắt khe.

Một trong những đặc điểm nổi bật của Cáp điều khiển cơ khí này là bộ phận lắp ráp được kỹ sư tùy chỉnh. Mỗi cáp được chế tạo tỉ mỉ để đáp ứng các yêu cầu cụ thể, cho phép các giải pháp tùy chỉnh giải quyết các nhu cầu vận hành độc đáo. Cho dù bạn yêu cầu chiều dài, độ bền hoặc cấu hình cụ thể, cáp này có thể được thiết kế tùy chỉnh để cung cấp chức năng và hiệu quả tối ưu. Cách tiếp cận kỹ thuật tùy chỉnh này đảm bảo cáp hoạt động hoàn hảo trong ứng dụng dự kiến, giảm thiểu thời gian ngừng hoạt động và nâng cao độ tin cậy tổng thể của hệ thống.

Bộ phận bên trong của cáp được làm từ thép không gỉ bọc nylon, kết hợp độ bền và khả năng chống ăn mòn của thép không gỉ với đặc tính bảo vệ của nylon. Thiết kế này mang lại độ bền, tính linh hoạt và khả năng chống mài mòn vượt trội. Lớp bọc nylon không chỉ bảo vệ lõi thép không gỉ khỏi hư hại do môi trường mà còn giảm ma sát, đảm bảo chuyển động cơ học mượt mà và hiệu quả. Điều này làm cho cáp đặc biệt phù hợp với các ứng dụng yêu cầu chuyển động thường xuyên hoặc liên tục, chẳng hạn như trong các hệ thống cáp kéo cơ khí.

Mã hóa màu là một tính năng quan trọng khác của Cáp điều khiển cơ khí này, có sẵn màu xanh lá cây, đen và đỏ. Các tùy chọn màu sắc này hỗ trợ việc nhận dạng và tổ chức dễ dàng trong các hệ thống cơ khí phức tạp, giảm lỗi lắp đặt và đơn giản hóa quy trình bảo trì. Màu sắc rực rỡ và bền bỉ duy trì vẻ ngoài theo thời gian, ngay cả khi tiếp xúc với các yếu tố môi trường khắc nghiệt, đảm bảo độ rõ nét trực quan lâu dài.

Được sản xuất theo tiêu chuẩn Bus Model tại Trung Quốc, Cáp điều khiển cơ khí này tuân thủ các biện pháp kiểm soát chất lượng nghiêm ngặt và các tiêu chuẩn ngành. Cam kết về chất lượng đảm bảo mỗi cáp mang lại hiệu suất, độ tin cậy và an toàn nhất quán. Khách hàng có thể tin tưởng rằng khoản đầu tư vào sản phẩm này sẽ mang lại giá trị lâu dài và đáp ứng hoặc vượt quá mong đợi vận hành.

Được thiết kế như một cáp kéo cơ khí, sản phẩm này vượt trội trong việc truyền lực cơ học qua một khoảng cách, làm cho nó trở thành một thành phần thiết yếu trong nhiều cơ chế điều khiển khác nhau. Cho dù được sử dụng trong ô tô, máy móc công nghiệp, thiết bị hàng hải hoặc các hệ thống cơ khí khác, Cáp điều khiển cơ khí cung cấp khả năng điều khiển và phản hồi chính xác. Cấu trúc chắc chắn và kỹ thuật tùy chỉnh của nó làm cho nó có thể thích ứng với nhiều ứng dụng, nâng cao hiệu quả và hiệu suất tổng thể của các hoạt động cơ khí.

Tóm lại, Cáp điều khiển cơ khí nổi bật như một lựa chọn cao cấp cho bất kỳ ai yêu cầu một cáp điều khiển bền bỉ, đáng tin cậy và có thể tùy chỉnh. Khả năng chịu nhiệt độ rộng, bộ phận lắp ráp được kỹ sư tùy chỉnh, bộ phận bên trong bằng thép không gỉ bọc nylon và các tùy chọn màu sắc rực rỡ làm cho nó trở thành một giải pháp linh hoạt và đáng tin cậy. Được sản xuất theo tiêu chuẩn cao theo Bus Model tại Trung Quốc, cáp này được thiết kế để mang lại hiệu suất tuyệt vời trong nhiều môi trường đòi hỏi khắt khe. Cho dù được sử dụng như một cáp kéo cơ khí hay trong các ứng dụng điều khiển khác, nó cung cấp sức mạnh, tính linh hoạt và độ chính xác cần thiết để tối ưu hóa hiệu quả các hệ thống điều khiển cơ khí.


Tính năng:

  • Tên sản phẩm: Cáp điều khiển cơ khí
  • Thích hợp cho các ứng dụng điều khiển kéo cơ khí
  • Tùy chọn đóng gói: Hộp gỗ, Thùng carton, Màng bong bóng
  • Các loại kết nối cáp có sẵn: Khớp bi, Ngã ba, Đầu nối thanh, v.v.
  • Bộ phận bên trong được chế tạo bằng thép không gỉ bọc nylon để tăng độ bền
  • Màu sắc có sẵn: Xanh lá cây, Đen, Đỏ
  • Cảng xếp hàng: Thượng Hải
  • Cáp điều khiển cơ khí chất lượng cao được thiết kế cho hiệu suất đáng tin cậy

Thông số kỹ thuật:

Cảng Thượng Hải
OEM
Cáp bên trong Thép cường độ cao nhiều sợi
Tính năng Bộ phận lắp ráp được kỹ sư tùy chỉnh
Dải nhiệt độ -40°C Đến 80°C
Dải nhiệt độ điển hình -65°F — 230°F
Kết nối cáp Khớp bi, Ngã ba, Đầu nối thanh, v.v.
Đóng gói Hộp gỗ / Thùng carton / Màng bong bóng
Kích thước Kích thước tiêu chuẩn OEM hoặc tùy chỉnh
Bán kính uốn khi lắp đặt Xuống tới 5"

Ứng dụng:

Cáp điều khiển cơ khí PHIDIX là một giải pháp linh hoạt và đáng tin cậy, được thiết kế để đáp ứng nhu cầu của nhiều ứng dụng điều khiển cơ khí khác nhau. Được chế tạo với cáp bên trong bằng thép cường độ cao nhiều sợi, cáp này đảm bảo sức mạnh và độ bền vượt trội, lý tưởng cho các hoạt động Kéo điều khiển cơ khí chính xác và nhất quán. Có sẵn ở kích thước tiêu chuẩn OEM hoặc cấu hình tùy chỉnh, Cáp điều khiển cơ khí PHIDIX có thể được điều chỉnh để phù hợp với các yêu cầu cụ thể, mang lại sự linh hoạt cho nhiều mục đích sử dụng.

Một trong những tính năng nổi bật của Cáp điều khiển cơ khí PHIDIX là khả năng hoạt động hiệu quả trong dải nhiệt độ điển hình từ -65°F đến 230°F. Khả năng chịu nhiệt ấn tượng này cho phép nó hoạt động đáng tin cậy trong môi trường khắc nghiệt, từ điều kiện ngoài trời lạnh giá đến môi trường công nghiệp nhiệt độ cao. Cấu trúc chắc chắn của cáp được bổ sung bởi nhiều tùy chọn kết nối cáp, bao gồm các tùy chọn khớp bi, ngã ba và đầu nối thanh, cho phép các phương pháp gắn kết an toàn và linh hoạt phù hợp với các hệ thống cơ khí đa dạng.

Có sẵn các màu sắc rực rỡ như xanh lá cây, đen và đỏ, Cáp điều khiển cơ khí PHIDIX không chỉ mang lại lợi ích chức năng mà còn tăng cường nhận dạng trực quan và an toàn trong quá trình lắp đặt và bảo trì. Các dịp ứng dụng của nó trải rộng trên nhiều ngành công nghiệp, bao gồm ô tô, hàng không vũ trụ, hàng hải và máy móc công nghiệp, nơi Kiểm soát dây cáp cơ khí chính xác là rất quan trọng. Cho dù điều khiển ga, phanh hay các liên kết cơ khí khác, cáp này mang lại hiệu suất mượt mà và phản hồi nhanh.

Cáp dây điều khiển cơ khí PHIDIX vượt trội trong các tình huống yêu cầu kích hoạt cơ khí đáng tin cậy và chính xác. Nó thường được sử dụng trong thiết bị hạng nặng, máy móc nông nghiệp và các công trình xe tùy chỉnh, nơi các giải pháp Kiểm soát dây cáp cơ khí mạnh mẽ là cần thiết cho hiệu quả hoạt động và an toàn. Ngoài ra, kích thước và tùy chọn kết nối tùy chỉnh của nó làm cho nó phù hợp với các dự án kỹ thuật sáng tạo và các ứng dụng sửa đổi.

Tóm lại, Cáp điều khiển cơ khí PHIDIX nổi bật như một lựa chọn hiệu suất cao cho nhu cầu Kéo điều khiển cơ khí và Kiểm soát dây cáp cơ khí. Sự kết hợp giữa vật liệu bền bỉ, khả năng chịu nhiệt độ rộng, phụ kiện tùy chỉnh và nhiều tùy chọn màu sắc làm cho nó trở thành một thành phần không thể thiếu trong nhiều tình huống đòi hỏi khắt khe, đảm bảo kiểm soát cơ khí đáng tin cậy trong các điều kiện hoạt động đa dạng.


Tùy chỉnh:

Tại PHIDIX, chúng tôi cung cấp các dịch vụ tùy chỉnh sản phẩm toàn diện cho Cáp điều khiển cơ khí của chúng tôi, được thiết kế để đáp ứng nhu cầu cụ thể của bạn. Các giải pháp Cáp kéo cơ khí của chúng tôi bao gồm nhiều tùy chọn kết nối cáp như Khớp bi, Ngã ba, Đầu nối thanh, v.v., đảm bảo khả năng tương thích và dễ dàng lắp đặt.

Chúng tôi cung cấp cáp điều khiển kéo cơ khí ở Kích thước tiêu chuẩn OEM hoặc kích thước tùy chỉnh để phù hợp hoàn hảo với ứng dụng của bạn. Mỗi Cáp kéo cơ khí là một bộ phận lắp ráp được kỹ sư tùy chỉnh, được chế tạo bằng vật liệu được lựa chọn theo yêu cầu của bạn để đảm bảo độ bền và hiệu suất.

Cáp điều khiển cơ khí của chúng tôi được chế tạo để chịu được dải nhiệt độ điển hình từ -65°F đến 230°F, làm cho nó phù hợp với nhiều môi trường hoạt động khác nhau. Hãy tin tưởng PHIDIX để tùy chỉnh Cáp kéo cơ khí chất lượng cao, đáng tin cậy, được điều chỉnh theo thông số kỹ thuật chính xác của bạn.


Hỗ trợ và Dịch vụ:

Cáp điều khiển cơ khí của chúng tôi được thiết kế để cung cấp khả năng điều khiển chính xác và đáng tin cậy cho nhiều hệ thống cơ khí. Để đảm bảo hiệu suất và tuổi thọ tối ưu của cáp điều khiển của bạn, vui lòng tuân theo hướng dẫn lắp đặt và bảo trì được cung cấp trong sách hướng dẫn sản phẩm.

Để lắp đặt, hãy đảm bảo rằng đường đi của cáp không có các khúc cua gấp và xoắn, và cáp được bôi trơn đúng cách nếu cần. Tránh tiếp xúc với môi trường ăn mòn trừ khi cáp được chỉ định cho các điều kiện như vậy.

Nên kiểm tra cáp thường xuyên để phát hiện các dấu hiệu mài mòn, ăn mòn hoặc hư hỏng. Thay thế cáp ngay lập tức nếu phát hiện bất kỳ lỗi nào để ngăn ngừa sự cố trong quá trình hoạt động.

Đội ngũ hỗ trợ kỹ thuật của chúng tôi sẵn sàng hỗ trợ khắc phục sự cố, tư vấn lắp đặt và thông số kỹ thuật sản phẩm để giúp bạn chọn đúng cáp cho ứng dụng của mình.

Chúng tôi cũng cung cấp các giải pháp cáp tùy chỉnh và dịch vụ sửa chữa để đáp ứng các yêu cầu điều khiển cơ khí cụ thể của bạn.

Vui lòng tham khảo tài liệu sản phẩm chi tiết và hướng dẫn an toàn trước khi sử dụng để đảm bảo hoạt động an toàn và hiệu quả của cáp điều khiển cơ khí.


Câu hỏi thường gặp:

Q1: Cáp điều khiển cơ khí PHIDIX phù hợp với những ứng dụng nào?

A1: Cáp điều khiển cơ khí PHIDIX lý tưởng cho nhiều ứng dụng bao gồm ô tô, hàng hải, máy móc công nghiệp và thiết bị nông nghiệp nơi cần kiểm soát cơ khí chính xác.

Q2: Những vật liệu nào được sử dụng trong cấu tạo của Cáp điều khiển cơ khí PHIDIX?

A2: Cáp điều khiển cơ khí PHIDIX có lõi dây thép chất lượng cao với vỏ ngoài bền bỉ làm từ vật liệu chống ăn mòn để đảm bảo tuổi thọ và hiệu suất đáng tin cậy.

Q3: Làm thế nào để xác định chiều dài cáp điều khiển cơ khí PHIDIX phù hợp cho ứng dụng của tôi?

A3: Để xác định chiều dài cáp phù hợp, hãy đo tổng khoảng cách giữa cần điều khiển và bộ phận được kích hoạt, bao gồm bất kỳ khúc cua hoặc đường đi nào. PHIDIX cũng cung cấp các tùy chọn chiều dài tùy chỉnh cho các yêu cầu cụ thể.

Q4: Cáp điều khiển cơ khí PHIDIX có dễ lắp đặt không?

A4: Có, Cáp điều khiển cơ khí PHIDIX được thiết kế để lắp đặt đơn giản với các phụ kiện tiêu chuẩn tương thích với hầu hết các hệ thống điều khiển. Hướng dẫn lắp đặt được cung cấp để hỗ trợ thiết lập đúng cách.

Q5: Cáp điều khiển cơ khí PHIDIX có thể hoạt động hiệu quả trong môi trường khắc nghiệt không?

A5: Tuyệt đối. Cáp điều khiển cơ khí PHIDIX được chế tạo để chịu được các điều kiện môi trường khắc nghiệt như độ ẩm, bụi và biến động nhiệt độ, làm cho nó phù hợp với các ứng dụng công nghiệp và ngoài trời đòi hỏi khắt khe.


Sản phẩm khuyến cáo
Hãy liên lạc với chúng tôi
Người liên hệ : Ms. lisa
Tel : 13816744282
Fax : 86-021-37214610
Ký tự còn lại(20/3000)